BVM-224一體化振動傳感器
作者:北京萬博振通 發布時間:2019-12-18 已訪問:412 次
鋁合金外殼;采用高質量加速度傳感器;測量準確;航空插頭出線;測量振動加速度、速度、位移都可以;國際標準信號輸出。 | 
|
|
BVM-224一體化型振動傳感器
簡介: BVM-224一體化型振動傳感器,主要用于在線監測各種大型設備運行時的機械振動及設備狀態,如機殼振動、軸瓦振動、軸系振動等。監測由于轉子的不平衡,不對中、機件松動、滾動軸承損壞、齒輪損壞等引起的振動變化。適用于汽輪機、水輪機、風機、壓縮機、制氧機、電機、泵、齒輪箱、機床(加工中心)等大型旋轉機械。 可輸出振動的加速度真峰值、速度真有效值、位移峰峰值,三線制輸出,4-20mA電流信號,同時可輸出振動的動態波形。特別適合惡劣環境的長期狀態監測。
u 1、輸出加速度型: ? 測量范圍:振動加速度真峰值(m/s2):0~200 ;量程大小,用戶可選 ? 輸出:兩線制(也可三線制)4~20mA ? 頻率響應:5~11000Hz ? 輸出負載電阻:0~500歐姆 ? 動態波形輸出:+1V (7mV/mms-1)
u 2、輸出速度型: ? 測量范圍: 振動速度有效值(mm/s):0~200;量程大小,用戶可選 ? 輸出: 兩線制(也可三線制)4~20mA或1~5V ? 輸出負載電阻: 0~500歐姆 ? 動態波形輸出:+1V (7mV/mms-1)
u 3、輸出位移型: ? 測量范圍:振動位移峰峰值(μm)0~2000 ;量程大小,用戶可選 ? 輸出: 兩線制(也可三線制)4~20mA或1~5V ? 輸出負載電阻: 0~500歐姆 ? 動態波形輸出:+1V (7mV/mms-1)
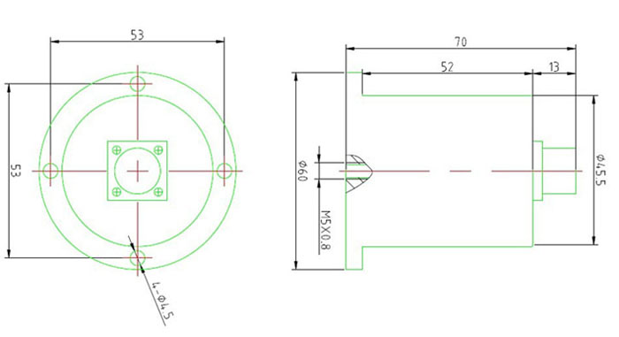
u 頻率響應:5~11000Hz u 工作溫度:-30~80°C u 測試精度:5% u 輸出負載:<500歐姆 u 供電: DC20~30V u 尺寸: 半徑30mm、高70mm
下圖為正立方體金屬安裝連接件,邊長65mm,其中五個面中心留安裝孔用來安裝一體化振動變送器,一個面中心留M8內螺紋(或者用戶定制)用來將連接件固定到設備上。

 |